产品简介
KYAC311产品设备后壳用到高精铝锰钢断桥铝型材,封密式无电扇设计制作,内部结构紧身漂亮,更有效阻止灰层加入,维护产品设备在严厉工业生产情景广泛应用的是真的吗性和的使用蓄电量。
关键特性
□ 性能强大,搭载 Intel x86 4 核处理器,最大支持1ms 周期 32轴同步运行
□ lBIOS内核及系统优化,满足实时控制需求
□ EtherCAT 最大支持 32 从站
□ 系统任务抖动35us内
□ 符合 IEC61131-3 标准、PLCopen 规范
□ 支持 EtherCAT、EtherNet/IP、OPC UA、ModbusTCP 等主流工业协议
□ 集成两路串口,开关灵活切换RS232/RS485
□ 双电源口冗余设计,保证供电稳定
□ 支持-20 ~ 60℃宽温工作环境
性能参数
| 配置 |
KYAC311-E3MA |
| 硬件配置 |
| CPU |
Intel® Celeron J1900, 2.0GHz, 4 核/4 线程, 2MB L2 缓存 |
| TDP |
10W |
| BIOS |
AMI UEFI 64Mbit |
| 内存 |
8GB DDR4 |
| 存储 |
128GB SSD mSATA |
| USB |
1 x USB3.0, 3 x USB2.0
板载内置1个USB2.0 可安装硬件加密狗 |
| COM |
2 x COM (DB9 公头) 可通过拨动开关配置 RS232 或RS485 模式,RS485 支持自动流控, RS232 带有ESD 防护( 空气放电:±8KV, 接触放电:±6KV) |
| 以太网 |
2 x Intel I210千兆网口 |
| DVI-D |
最高分辨率 1920 x 1080 |
| 扩展接口 |
1 x 全尺寸miniPCIe卡槽,带有SIM卡槽 |
| 看门狗 |
1~255级可编程设置 |
| 软件配置 |
| 实时环境 |
Codesys RTE 3.5.18 |
| 操作系统 |
Windows 10 |
| 电源 |
| 输入电压 |
DC12~24V ±10%, 过流、过压以及防反接保护 |
| 电源功耗 |
最大功耗 45W |
| 机械参数 |
| 结构 |
钣金结构,无风扇,支持壁挂式安装或DIN-Rail导轨安装 |
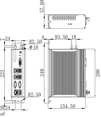
| 尺寸 |
57.6mm x 200mm x 154.5mm (W x H x D) |
| 净重 |
1.6Kg |
| 环境 |
| 工作温度 |
-20ºC ~ 60ºC |
| 存储温度 |
-40ºC ~ 80ºC |
| 相对湿度 |
5~95% 无凝露 |
| 振动 |
5~500Hz, 1.5Grms,IEC60068-2-64 |
| 冲击 |
20G( 持续时间11ms,半正弦波),IEC60068-2-27 |
| EMC |
CE/FCC Class A |
机械尺寸
订购信息
● SM(Softmotion) 该型号能提供SMC_Basic库,适用PLCopenl证书规格Part 1及Part 2有些,也可以管控单轴和两大轴(电子元器件气缸和齿圈)的主从足球运动。
● CN(CNC+Robotic) 该版本的在SMC_Basic库基础框架上加入了SMC_CNC及SMC_Robotic,能够了CNC用途领域及服务器人用途领域。可变现CNC数铣建设及服务器人轴组建设。
● TW(Target & Web Visu) 该微信版本收录了集合化的信息多维分析排版器,能够在规划设计自然环境中间接撰写技术专业的信息多维分析页面。各举TargetVisu的模式间接体现在把控好器的内设或外置体现器上;WebVisu的模式鼓励在Web查看器中查看页面。
SM版本与CN版本功能差异表
| SM(Softmotion) |
CN(CNC+Robotic) |
| 点位运动 |
位置比较触发 |
两轴椭圆插补 |
三轴椭圆插补 |
路径预处理功能 |
两轴串联(SCARA)机器人模型 |
| JOG运动 |
位置捕获 |
两轴样条曲线 |
三轴样条曲线 |
五轴加工模型 |
三轴串联(SCARA)机器人模型 |
| 速度运动 |
回零运动 |
两轴抛物线运动 |
三轴抛物线运动 |
两轴龙门功能 |
并联(DELTA)机器人模型 |
| 电子齿轮 |
间隙捕获 |
两轴直线插补 |
三轴螺旋线插补 |
三轴龙门 |
四轴码垛机器人模型 |
| 电子凸轮 |
|
两轴圆弧插补 |
DXF转G代码功能 |
T型龙门 |
六轴关节机器人模型 |
| 连续轨迹运动 |
|
三轴直线插补 |
G代码/M代码功能 |
H型龙门 |
|
| 切向跟随 |
|
三轴圆弧插补 |
坐标系转换 |
极坐标系模型 |
|
选型表
| 产品型号 |
详情 |
| KYAC311-E3MAW0SM |
J1900/8G/128G SSD/WIN10/Softmotion |
| KYAC311-E3MAW0SMTW |
J1900/8G/128G SSD/WIN10/Softmotion/Target & Web Visu |
| KYAC311-E3MAW0CN |
J1900/8G/128G SSD/WIN10/CNC |
资料下载